鼎阳科技发布SNA5000X系列矢量网络分析仪
发布时间:
2020-12-18
浏览次数:
5461
次
鼎阳科技正式推出8.5GHz、4端口矢量网络分析仪SNA5000X系列,具备S参数测量,平衡-不平衡测试,时域分析,眼图分析等功能。
2020年12月18日,鼎阳科技正式发布SNA5000X系列矢量网络分析仪(Vector Network Analyzer),其测量频率高达8.5GHz,支持4端口S参数测量,差分(平衡)测量,时域测量,滤波器插入损耗、带宽、Q值等一键测量,支持端口阻抗转换、端口扩展功能,支持极限测试、纹波测试功能,支持夹具仿真和去嵌入功能,支持线性频率扫描、对数频率扫描、分段频率扫描、线性功率扫描方式,支持SOLT、SOLR、TRL、Response、Enhanced Response等校准方法,可广泛应用于滤波器,双工器,天线,有源器件,射频线缆等领域的研发,生产制造。
低噪声,高动态范围
系统动态范围是VNA一个非常重要的指标,它是VNA源的最大输出功率与测试端口本底噪声的差值。SNA5000X的动态范围可达125dB@10Hz IFBW,接收机噪底-125 dBm/Hz,可适用于对动态范围要求比较高的测试场景,比如同时测量滤波器的通带和带外抑制性能。
S参数测试/平衡-不平衡测试
SNA5000X系列支持在多个窗口添加多条迹线进行全4端口S参数测试,并且具备多种显示格式,比如Log Mag,Lin Mag,Smith,Phase,Delay,Smith,SWR,Polar等,可以方便快捷地分析被测物的传输系数,反射系数,驻波比,阻抗匹配,相位,延时等参数。在生产线验证天线,滤波器等的特性时,还可以保存参考迹线或者添加Limit模板进行通过失败测试,有利于提高生产效率。

SNA5000X系列还支持端口阻抗变换功能,比如在测试有源差分放大器时,可将输入输出端口进行阻抗变换,从而进行差分(平衡)测量(比如Scc,Sdd,Scd,Sdc等参数)。此功能还可应用于差分线缆等其他差分类测试。
另外,SNA5000X系列还支持TDR时域反射计测量功能,可在时域对传输线的特征阻抗,时延等参数进行分析。

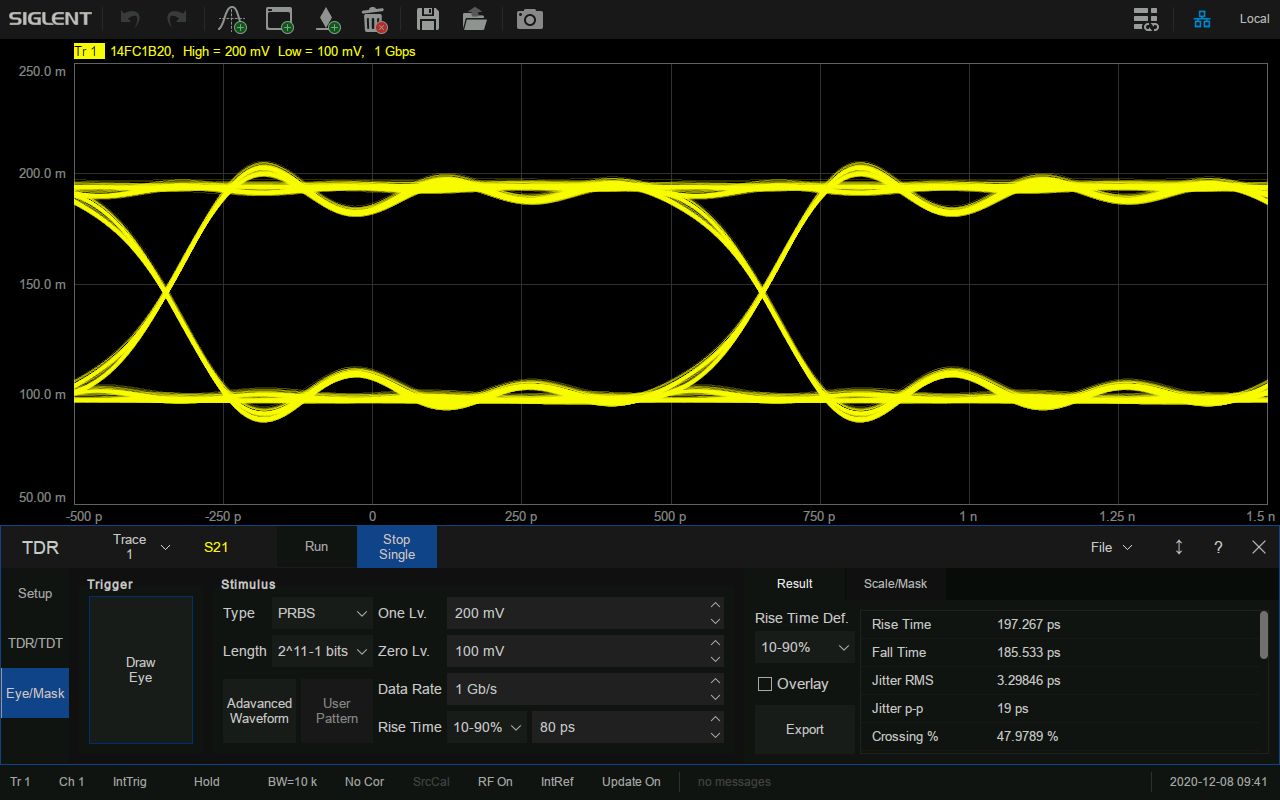
眼图可以反映信号链路上传输的数字信号的整体特征,从中观察出码间串扰和噪声的影响,进而估计系统的优劣程度。因此,眼图分析是高速系统信号完整性分析的核心。SNA5000X搭载了眼图功能,为需要对高速信号进行时域分析的客户节省了大量成本和时间。
校准件
校准是VNA进行可靠测量前必须进行的步骤。鼎阳科技目前可提供8种SOLT机械校准件,分为经济级校准件和精密级校准件。校准频率范围涵盖DC~9GHz,接口类型包含SMA和N型。并且SNA5000X系列还可支持其他厂家的校准件及客户自定义校准件的导入,从而保护客户对校准件的投资。


SNA5000X系列包含SNA5052X, SNA5082X, SNA5054X,SNA5084X共4个型号,测量频率范围涵盖9kHz~4.5GHz/8.5GHz,支持2端口和4端口S参数测量,具备12.1英寸触摸屏,支持外接鼠标键盘操作,拥有友好的人机交互界面。相比传统的矢量网络分析仪,体积更小,重量更轻,为客户节省了大量的实验室及生产线空间。SNA5000X系列矢量网络分析仪凭借其丰富的功能及优秀的交互体验,广泛适用于公司研发,生产制造,研究院所等场景。
低噪声,高动态范围
S参数测试/平衡-不平衡测试

SNA5000X系列还支持端口阻抗变换功能,比如在测试有源差分放大器时,可将输入输出端口进行阻抗变换,从而进行差分(平衡)测量(比如Scc,Sdd,Scd,Sdc等参数)。此功能还可应用于差分线缆等其他差分类测试。
时域分析功能及眼图功能
在微波射频领域,如何有效消除有害的测试夹具效应是一大挑战。比如在对SMD器件进行测试时需要特定的测试夹具实现测试仪器测试端与器件输入端的转接,导致测试结果中包含了测试夹具的特性。目前SNA5000X系列提供的去除测试夹具影响的方法主要有:端口延伸,端口匹配,端口阻抗转换,去嵌入,适配器移除等。另外,SNA5000X系列还支持TDR时域反射计测量功能,可在时域对传输线的特征阻抗,时延等参数进行分析。

眼图可以反映信号链路上传输的数字信号的整体特征,从中观察出码间串扰和噪声的影响,进而估计系统的优劣程度。因此,眼图分析是高速系统信号完整性分析的核心。SNA5000X搭载了眼图功能,为需要对高速信号进行时域分析的客户节省了大量成本和时间。
校准件


SNA5000X系列包含SNA5052X, SNA5082X, SNA5054X,SNA5084X共4个型号,测量频率范围涵盖9kHz~4.5GHz/8.5GHz,支持2端口和4端口S参数测量,具备12.1英寸触摸屏,支持外接鼠标键盘操作,拥有友好的人机交互界面。相比传统的矢量网络分析仪,体积更小,重量更轻,为客户节省了大量的实验室及生产线空间。SNA5000X系列矢量网络分析仪凭借其丰富的功能及优秀的交互体验,广泛适用于公司研发,生产制造,研究院所等场景。
分享到:
上一篇 : SPS5000X系列开关电源再添新成员!
推荐新闻
鼎阳,不止于示波器丨12.26,相约银河系列高端新品发布会
SDS7000A再升级!更高的采样率,更强的测试功能
高速测量!鼎阳科技发布SDM4000A系列五位半、六位半数字万用表
矢量混频测量与增益压缩测量功能上线,鼎阳矢量网络分析仪性能再升级
鼎阳科技发布SSG6082A-V全新矢量信号源
强化阵容| 鼎阳科技发布SPS6000X宽范围可编程直流开关电源新型号
鼎阳科技发布4GHz电源轨探头、1.5GHz无源探头及5GHz有源差分探头新配件
鼎阳科技持续创新突破,SNA系列矢量网络分析仪新增材料测量与开关矩阵控制功能
全面升级!鼎阳科技发布SDG1000X Plus任意波形发生器
国产新标杆| 鼎阳科技发布8GHz带宽 12bit高分辨率示波器
鼎阳科技发布PC端示波器软件SigScopeLab 免费版,实现数据共享与远程分析
超高速!鼎阳科技发布SDM4000A六位半数字万用表
5G 测试| 鼎阳科技发布SHA860A系列手持信号分析仪
专业级示波器!鼎阳科技发布SDS800X HD系列高分辨率示波器
鼎阳科技发布SigIQPro软件简化信号仿真与加速测试
高分辨率示波器SDS3000X HD和SDS1000X HD全新亮相
四通道电源!鼎阳科技发布SPD4000X系列可编程线性直流电源
鼎阳科技发布全新一代SHN900A系列全双端口手持矢量网络分析仪
鼎阳科技发布8通道高分辨率示波器,创造三相电和多通道时序测量新体验